Vòng bi rãnh sâu 6400 Series 6403 6404 6405 6406
Ma sát thấp
Tiếng ồn thấp
Xoay linh hoạt
Tuổi thọ dài
Ứng dụng phổ quát
Chất liệu Gcr15
Bi thép G16, G10
P0,P6,P5,P4
C0,C2,C3,C4
Vòng bi cầu rãnh sâu 6400 Series 6403 6405 6406 6407 thuộc dòng dày, đừng đánh giá thấp vai trò của vòng bi, vì chúng có thể là thành phần quan trọng dễ bị bỏ qua nhất trong thiết bị của bạn. Vòng bi tuyệt vời có thể chịu được tải trọng lớn và giúp thiết bị của bạn vượt qua môi trường làm việc khắc nghiệt. Hãy chọn vòng bi của chúng tôi để hỗ trợ chắc chắn cho thiết bị của bạn.
1, Cam kết của chúng tôi về chất lượng vòng bi
Ngay từ đầu, chúng tôi đã có cam kết và cống hiến chắc chắn về chất lượng vòng bi. Chúng tôi nhận thức rõ rằng ổ trục chất lượng cao không chỉ ảnh hưởng đến hiệu suất của thiết bị mà còn đóng vai trò là sự đảm bảo chính cho sự an toàn và hiệu quả. Vì vậy, chúng tôi không tiếc công sức để cung cấp các giải pháp vòng bi tốt nhất cho mọi khách hàng thông qua công nghệ sản xuất tiên tiến nhất và kiểm soát chất lượng nghiêm ngặt.
2, Việc áp dụng công nghệ sản xuất tiên tiến
Chúng tôi hiểu rằng sự tiến bộ của công nghệ sản xuất có tác động quan trọng đến chất lượng của vòng bi. Vì vậy, chúng tôi tiếp tục giới thiệu và học hỏi những công nghệ sản xuất tiên tiến nhất, từ máy công cụ CNC tốc độ cao đến dây chuyền sản xuất tự động, sau đó đến các công nghệ xử lý nhiệt và xử lý bề mặt tiên tiến. Chúng tôi tích hợp những công nghệ này vào quy trình sản xuất của mình để cải thiện hiệu suất và chất lượng của vòng bi.
3, Hệ thống kiểm soát chất lượng nghiêm ngặt
Chúng tôi tin chắc rằng chỉ có kiểm soát chất lượng nghiêm ngặt mới có thể đảm bảo độ tin cậy của vòng bi. Từ việc thu mua nguyên liệu thô đến giao thành phẩm, chúng tôi đều trải qua quá trình kiểm tra và kiểm soát chất lượng nghiêm ngặt ở từng bước. Đội ngũ kiểm tra chất lượng của chúng tôi bao gồm các chuyên gia giàu kinh nghiệm sử dụng thiết bị kiểm tra tiên tiến để tiến hành kiểm tra tỉ mỉ, đảm bảo rằng mọi vòng bi đều đáp ứng hoặc thậm chí vượt quá mong đợi của khách hàng.
4, Chú ý đến môi trường
Chúng tôi không chỉ tập trung vào chất lượng sản phẩm mà còn chú trọng đến tác động của quá trình sản xuất đến môi trường. Chúng tôi nỗ lực giảm lượng khí thải carbon và mức tiêu thụ năng lượng thông qua các phương pháp sản xuất thân thiện với môi trường để đạt được sự phát triển bền vững. Đồng thời, chúng tôi còn cung cấp cho khách hàng những sản phẩm vòng bi thân thiện với môi trường nhằm đáp ứng nhu cầu về môi trường của họ.
5, Biểu hiện của chất lượng ổ trục
Chất lượng của vòng bi không chỉ được phản ánh ở hiệu suất và độ tin cậy vốn có mà còn ở hiệu suất bên ngoài của chúng. Hiệu suất chất lượng cao của vòng bi của chúng tôi chủ yếu được phản ánh ở các khía cạnh sau:
1. Độ chính xác cao: Vòng bi của chúng tôi có đặc tính là độ chính xác cao, cho phép chúng duy trì độ ổn định khi quay ở tốc độ cao, từ đó nâng cao hiệu suất và hiệu suất của thiết bị.
2. Tuổi thọ cao: Thiết kế vòng bi của chúng tôi có tuổi thọ cao và có thể duy trì hiệu suất tốt ngay cả trong những điều kiện khắc nghiệt, giảm tần suất bảo trì, thay thế và tiết kiệm chi phí.
3. Độ ồn thấp: Vòng bi của chúng tôi được thiết kế khéo léo nhằm giảm tiếng ồn trong quá trình vận hành, giúp thiết bị chạy êm hơn và cải thiện chất lượng môi trường làm việc.
4. Khả năng chịu tải tuyệt vời: Vòng bi của chúng tôi được làm bằng vật liệu chất lượng cao và công nghệ xử lý nhiệt tiên tiến, có khả năng chịu tải tuyệt vời và có thể chịu được nhiều khối lượng công việc phức tạp khác nhau.
5. Chống mài mòn tốt: Vòng bi của chúng tôi có khả năng chống mài mòn tuyệt vời, nghĩa là chúng có thể duy trì hiệu suất trong quá trình sử dụng lâu dài và thích ứng với nhiều môi trường làm việc khắc nghiệt khác nhau.
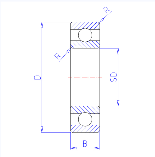
| Mang KHÔNG. | Kích thước ranh giới (mm) | Xếp hạng tải cơ bản (KN) | Giới hạn tốc độ | Cân nặng | |||||
| d | D | B | r(phút) | Năng động | Tĩnh | Dầu mỡ | Dầu | kg(máy tính) | |
| 6403 | 17 | 62 | 17 | 1.1 | 22,7 | 10.8 | 14000 | 16000 | 0,27 |
| 6404 | 20 | 72 | 19 | 1.1 | 28,5 | 13.9 | 12000 | 14000 | 0,4 |
| 6405 | 25 | 80 | 21 | 1,5 | 34,5 | 17,5 | 10000 | 12000 | 0,53 |
| 6406 | 30 | 90 | 23 | 1,5 | 43,5 | 23,9 | 8800 | 10000 | 0,735 |
| 6407 | 35 | 100 | 25 | 1,5 | 55 | 31 | 7800 | 9100 | 0,952 |
| 6408 | 40 | 110 | 27 | 2 | 63,5 | 36,5 | 7000 | 8200 | 1,23 |
| 6409 | 45 | 120 | 29 | 2 | 77 | 45 | 6300 | 7400 | 1,53 |
| 6410 | 50 | 130 | 31 | 2.1 | 83 | 49,5 | 5700 | 6700 | 1,88 |
| 6411 | 55 | 140 | 33 | 2.1 | 89 | 54 | 5200 | 6100 | 2,29 |
| 6412 | 60 | 150 | 35 | 2.1 | 102 | 64,5 | 4800 | 5700 | 2,77 |
| 6413 | 65 | 160 | 37 | 2.1 | 111 | 72,5 | 4400 | 5200 | 3.3 |
| 6414 | 70 | 180 | 42 | 3 | 128 | 89,5 | 4100 | 4800 | 4,83 |
| 6415 | 75 | 190 | 45 | 3 | 138 | 99 | 3800 | 4500 | 5,72 |
| 6416 | 80 | 200 | 48 | 6 | 164 | 125 | 3600 | 4200 | 6,76 |
| 6417 | 85 | 210 | 52 | 4 | 165 | 128 | 3400 | 4000 | 7,95 |
| 6418 | 90 | 225 | 54 | 4 | 184 | 149 | 3200 | 3800 | 11.4 |
| 6419 | 95 | 240 | 55 | 4 | 186 | 153 | 3000 | 3500 | 13,4 |
| 6420 | 100 | 250 | 58 | 4 | 206 | 175 | 2900 | 3400 | 15 |
TRIỂN LÃM
vận chuyển
Đảm bảo giao hàng đúng thời gian.
ỨNG DỤNG
Dòng 1.6200: thuộc loại vòng bi tải nhẹ, thích hợp cho các ứng dụng vòng bi tốc độ trung bình và kích thước nhỏ.
Dòng 2.6300: thuộc loại vòng bi chịu tải trung bình, thích hợp cho các ứng dụng vòng bi tốc độ cao và kích thước lớn.
Dòng 3.6400: thuộc dòng vòng bi chịu tải nặng, thích hợp cho các tình huống có tải trọng lớn và tốc độ quay thấp.
Dòng 4.6000: Thuộc loại vòng bi rãnh sâu và được sử dụng rộng rãi trong các bộ phận đỡ của các loại vòng bi khác nhau.
Dòng 5.7000: Thuộc dòng vòng bi tiếp xúc góc, thích hợp cho các ứng dụng tốc độ cao và độ chính xác cao.
Dòng 6.8000: thuộc loại vòng bi trụ, được sử dụng trong các tình huống tải nặng và tốc độ cao.
Dòng 7.9000: thuộc dòng vòng bi côn, thích hợp cho các thiết bị cơ khí hạng nặng cỡ lớn.
Câu hỏi thường gặp
Nếu bạn đang tìm vòng bi rãnh sâu và các vòng bi khác, vui lòng liên hệ với người quản lý bán hàng của chúng tôi. Dưới đây là một số câu hỏi phổ biến. Nếu bạn cũng có bất kỳ câu hỏi nào khác, vui lòng liên hệ với chúng tôi.
1.Q: Nhà máy hoặc công ty thương mại của bạn là gì?
Trả lời: Chúng tôi là nhà máy. Nhưng để tiến hành kinh doanh quốc tế và phục vụ khách hàng toàn cầu một cách chuyên nghiệp và hiệu quả hơn, chúng tôi đã thành lập một công ty xuất nhập khẩu tại Tế Nam vào năm 2022: Shandong Beiyang International Trade Co., Ltd. Công ty này là công ty con của LiaoThành Gaoyin Bearing Co., Ltd. (nhà máy), và mọi hoạt động kinh doanh xuất nhập khẩu đều xoay quanh nhà máy.
2.Q: Dịch vụ sau bán hàng và bảo hành của bạn là gì?
Trả lời: Chúng tôi hứa sẽ chịu các trách nhiệm sau khi phát hiện sản phẩm bị lỗi:
1. Hàng thay thế sẽ được gửi cùng với hàng hóa của đơn đặt hàng tiếp theo của bạn;
2.Chúng tôi có thể bồi thường bằng tiền chosản phẩm bị lỗiđó vẫn chưa được sử dụng.
3.Q:Bạn có chấp nhận đơn đặt hàng ODM & OEM không?
MỘT:Có, chúng tôi cung cấp dịch vụ ODM & OEM cho khách hàng trên toàn thế giới, chúng tôi cũng tùy chỉnh hộp OEM và đóng gói theo yêu cầu của bạn.
4.Q:MOQ là gì?
Trả lời: Theo yêu cầu cụ thể của khách hàng, MOQ có thể điều chỉnh. Nó linh hoạt.
5.Q:Thời gian dẫn đầu là bao lâu?
A: Sản xuất một sản phẩm container cần khoảng 10-15 ngày.
6.Q: Bạn có cung cấp mẫu miễn phí không?
Trả lời: Có, chúng tôi cung cấp mẫu miễn phí cho các nhà phân phối và bán buôn, tuy nhiên khách hàng phải chịu cước vận chuyển. Chúng tôi KHÔNG cung cấp mẫu miễn phí cho người dùng cuối.
7.Hỏi: Làm thế nào để đặt hàng?
A: 1. Gửi email cho chúng tôi mô hìnhcon số, thương hiệu, chất lượng chính xácvà số lượng, cách vận chuyển vòng bi và chúng tôi sẽ báo giá tốt nhất cho bạn;
2. Hóa đơn Proforma được lập và gửi cho bạn theo mức giá mà cả hai bên đã thỏa thuận;
3. Thanh toán tiền gửi sau khi xác nhận PI và chúng tôi sắp xếp sản xuất;
4. Số dư được thanh toán trước khi giao hàng hoặc sau bản sao Vận đơn xếp hàng.
| Mang KHÔNG. | ranh giớiKích thước (mm) | Xếp hạng tải cơ bản (KN) | Giới hạn tốc độ | Cân nặng | |||||
| d | D | B | r(phút) | Năng động | Tĩnh | Dầu mỡ | Dầu | kg(máy tính) | |
| 6403 | 17 | 62 | 17 | 1.1 | 22,7 | 10.8 | 14000 | 16000 | 0,27 |
| 6404 | 20 | 72 | 19 | 1.1 | 28,5 | 13.9 | 12000 | 14000 | 0,4 |
| 6405 | 25 | 80 | 21 | 1,5 | 34,5 | 17,5 | 10000 | 12000 | 0,53 |
| 6406 | 30 | 90 | 23 | 1,5 | 43,5 | 23,9 | 8800 | 10000 | 0,735 |
| 6407 | 35 | 100 | 25 | 1,5 | 55 | 31 | 7800 | 9100 | 0,952 |
| 6408 | 40 | 110 | 27 | 2 | 63,5 | 36,5 | 7000 | 8200 | 1,23 |
| 6409 | 45 | 120 | 29 | 2 | 77 | 45 | 6300 | 7400 | 1,53 |
| 6410 | 50 | 130 | 31 | 2.1 | 83 | 49,5 | 5700 | 6700 | 1,88 |
| 6411 | 55 | 140 | 33 | 2.1 | 89 | 54 | 5200 | 6100 | 2,29 |
| 6412 | 60 | 150 | 35 | 2.1 | 102 | 64,5 | 4800 | 5700 | 2,77 |
| 6413 | 65 | 160 | 37 | 2.1 | 111 | 72,5 | 4400 | 5200 | 3.3 |
| 6414 | 70 | 180 | 42 | 3 | 128 | 89,5 | 4100 | 4800 | 4,83 |
| 6415 | 75 | 190 | 45 | 3 | 138 | 99 | 3800 | 4500 | 5,72 |
| 6416 | 80 | 200 | 48 | 6 | 164 | 125 | 3600 | 4200 | 6,76 |
| 6417 | 85 | 210 | 52 | 4 | 165 | 128 | 3400 | 4000 | 7,95 |
| 6418 | 90 | 225 | 54 | 4 | 184 | 149 | 3200 | 3800 | 11.4 |
| 6419 | 95 | 240 | 55 | 4 | 186 | 153 | 3000 | 3500 | 13,4 |
| 6420 | 100 | 250 | 58 | 4 | 206 | 175 | 2900 | 3400 | 15 |

























